鈦及鈦合金 金相圖譜(2)
β型鈦合金
β型鈦合金中又分為穩定β合金、亞穩定β合金、近β合金。
穩定β合金含有大量β穩定元素,退火后全部為β相。其室溫強度較低,冷成形性好,在還原性介質中耐蝕性較好;典型合金有Ti40。
亞穩定β合金含有臨界濃度以上的β穩定元素,少量的Al(一般不大于3%)和中性元素,從β相區固溶處理(水淬或空冷)后,幾乎全部為亞穩定β相,這類合金冷加工性好,時效強度高。
近β合金含有臨界濃度左右的β穩定元素,和一定量的中性元素及鋁,從β相區固溶處理后有大量亞穩定β相及其他亞穩定相(α或ω相),時效后,主要是α相和β相,這類合金適合加工成鍛件產品,具有優良的強韌性匹配。
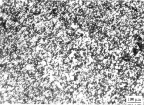
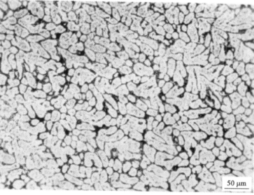
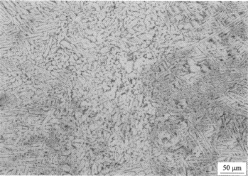
Ti40合金是90年代中期由西北有色金屬院研制的一種Ti-Cr-V系阻燃鈦合金,屬于穩定β型鈦合金,合金相變點約400℃。應用于高性能航空發動機機匣等部位。Ti40合金典型力學性能如表3-1表3-2所示。圖3-1~圖3-9為Ti40合金常見的微觀組織。
表3-1 Ti40合金室溫力學性能

表3-2 Ti40合金高溫蠕變性能


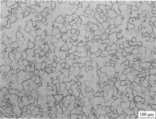
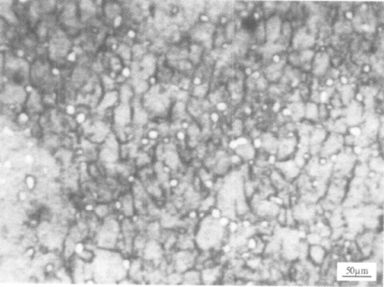
圖3-1 Ti40合金熱加工態組織:彎曲狀β晶界

圖3-2 Ti40合金600℃退火組織:彎曲狀β晶界+少量加工流線

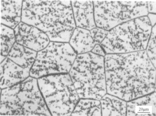
圖3-3 Ti40合金700℃退火組織:等軸β組織

圖3-4 Ti40合金800℃退火組織:等軸β組織(β晶界平直化)

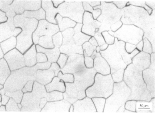
圖3-5 Ti40合金固溶組織:等軸β組織

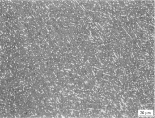
圖3-6 Ti40合金520℃/250MPa/100h蠕變后組織:等軸β組織

圖3-7 Ti40合金535℃/250MPa/100h蠕變后組織:等軸β組織及變形引起的孿晶

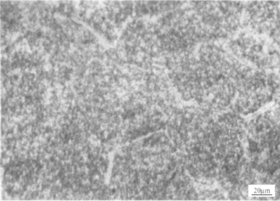
圖3-8 Ti40合金蠕變后形成的位錯形貌(TEM)

圖3-9 Ti40合金蠕變后形成的位錯形貌(TEM)
典型合金有TB2、TB3、Ti-15-3(TBS)、Ti26等。
TB3合金名義成分Ti3.5Al10Mo8V1Fe,是一種亞穩定β型鈦合金,相變點730~750℃,該合金由西北有色金屬研究院于20世紀80年代研制(原稱Ti22合金),具有良好的冷加工性能(冷變形率大于90%),可加工制備成板、棒、管、絲、箔等多種類型半成品。其絲材的典型性能如表3-3所示。
表3-3 TB3合金Φ3mm絲材的典型性能

TB3合金的棒、絲材適合于制備各種緊固件,已應用于Y-7、JH-7等型號。圖3-10~圖3-16為TB3合金不同狀態對應的微觀組織。

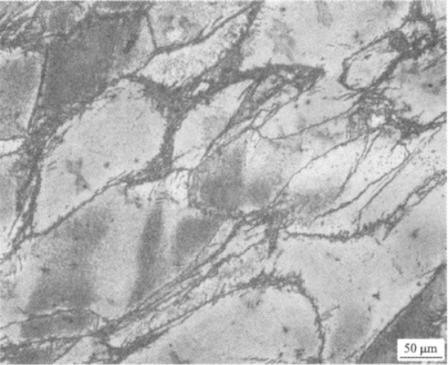
圖3-10 TB3合金板材800℃/30min空冷處理:等軸β晶粒

圖3-11 TB3合金板材800℃/30min空冷+700℃/15min空冷:
β基體內部開始有次生α相(黑斑點)析出

圖3-12 TB3合金板材800℃/30min空冷+700℃/120min空冷:
隨時效時間增加,β晶粒內次生α相(黑斑點)析出增多

圖3-13 TB3合金板材800℃/30min空冷+500℃/8h空冷:
β晶粒內部次生α相充分析出

圖3-14 TB3合金板材800℃/30min空冷+500℃/8h空冷:
β晶粒內部次生α相充分析出

圖3-15 TB3合金板材800℃/30min空冷+550℃/16h空冷:
β晶粒內部次生α相充分析出

圖3-16 TB3合金板材加工態:拉長的β晶粒
Ti-15-3合金名義成分Ti15V3Al3Cr3Sn(國標牌號TB5),是一種亞穩定β型鈦合金,相變點740~760℃,該合金是美國20世紀70年代研制,具有良好的冷加工性能(冷變形率大于90%),可加工制備成板、棒、管、絲、箔等多種類型半成品。其板材及管材的典型力學性能如表3-4所示。Ti-15-3合金常見的微觀組織如圖3-17~圖4-29所示。
表3-4 Ti-15-3合金板材及管材的典型性能


圖3-17 Ti-15-3合金板材800℃/20min空冷:等軸β晶粒

圖3-18 Ti-15-3合金板材800℃/20min爐冷:
由于緩慢爐冷使β晶粒內部及晶界開始有次生α相(黑斑點)析出

圖3-19 Ti-15-3合金板材800℃/1h水淬:等軸β晶粒

圖3-20 Ti-15-3合金板材冷變形6%:
塑性變形使等軸β晶粒內產生孿晶(平直條紋)

圖3-21 Ti-15-3合金板材冷變形40%:
形變使等軸β晶粒內產生孿晶(平直條紋)

圖3-22 Ti-15-3合金板材800℃/20min空冷+540℃/8h空冷:
β晶粒內部次生α相充分析出

圖3-23 Ti-15-3合金板材800℃/20min空冷+600℃/8h空冷:
β晶粒內部次生α相充分析出

圖3-24 Ti-15-3合金板材800℃/20min空冷+630℃/8h空冷:
β晶粒內部次生α相充分析出

圖3-25 Ti-15-3合金板材電子束焊接焊縫:粗大β晶粒

圖3-26 Ti-15-3合金管材冷軋加工后550℃/8h直接時效:
在拉長的β晶粒基體上有次生α相析出

圖3-27 Ti-15-3合金管材冷軋加工后600℃/8h直接時效:
在拉長的β晶粒基體上有次生α相析出

圖3-28 Ti-15-3合金板材抗彈試驗彈坑處(靶試前板材經810℃/30min空冷處理):
高速沖擊變形使β晶粒內形成的大量孿晶
Ti26合金是一種亞穩定β型鈦合金(Ti-V-Cr-Al-Sn-Zr-Nb-Ta系),由西北有色金屬研究院于20世紀90年代在美國Ti-15-3合金基礎上改進而成,相變點730~750℃,具有良好的冷加工性能(冷變形率大于90%墩制比≥4),可加工制備成板、棒、管、絲、箔等多種類型半成品。其小規格棒材的典型力學性能如表3-5所示。
表3-5 Ti26合金小規格棒材的典型力學性能

Ti26合金的棒、絲材適合于制備各種緊固件。表3-6列出了采用Ti26合金制備的幾種螺栓的拉伸及剪切性能。
表3-6 采用Ti26合金制備的幾種螺栓的拉伸性能及剪切性能

經測試MJ5螺栓的疲勞性能在最大載荷Pmax=0.4σb條件下,單件最小壽命Nmin≥45000次,平均壽命N平均≥65000次。圖3-29~圖3-38為Ti26合金常見的微觀組織。

圖3-29 Ti26合金冷加工態組織:纖維狀變形組織

圖3-30 Ti26合金熱加工態組織:等軸β晶粒(β晶界呈彎曲狀)

圖3-31 Ti26合金熱擠壓態組織:纖維狀變形組織

圖3-32 Ti26合金板(800℃/30min空冷):等軸β晶粒

圖3-33 Ti26合金棒材(800℃/30min空冷):等軸β晶粒

圖3-34 Ti26合金棒材(800℃/30min空冷+550℃/8h空冷):
次生α相在β基體上充分析出

圖3-35 Ti26合金固溶+時效組織(掃描電鏡):針狀次生α相在β基體上析出

圖3-36 Ti26合金鐓制螺栓的加工流線

圖3-37 Ti26合金螺栓螺紋的加工流線

圖3-38 Ti26合金螺栓處的加工流線
典型合金有Ti1023(TB6)、Ti5553、Ti1300等合金。
Ti1023合金(名義成分:Ti10V2Fe3Al)是美國上世紀70年代研制的一種近β型鈦合金(中國國標牌號TB6),相變點780~800℃,特點是強度高、淬透性好,主要應用于航空鍛件制品。但是由于其成分中含有2%的Fe,因此在熔煉、加工過程中易產生偏析,形成β斑缺陷。表3-7為Ti1023合金Φ180mm棒材對應的性能,圖3-39~圖3-44為Ti1023合金常見微觀組織。
表3-7 Ti1023合金棒材室溫力學性能

注:從棒材1/2R處切取試樣進行760℃/2h水淬+525℃/8h空冷處理

圖3-39 Ti1023合金β相區固溶+時效處理:
針狀次生α(亮條)在β基體上析出

圖3-40 Ti1023合金760℃/2h水淬+525℃/8h空冷:
初生α(亮)及在β基體上析出次生α(暗)

圖3-41 Ti1023合金大規格棒材(Φ180mm)低倍組織

圖3-42 Ti1023合金兩相區鍛造(770℃,ε=80%):β基體+初生α

圖3-43 Ti1023合金β相區鍛造(835℃,ε=40%):
β基體上分布著彎曲β晶界與針狀次生α

圖3-44 Ti1023合金β斑缺陷形貌:經時效處理后,具有均勻析出的正常組織(照片下沿處),內部無析出或很少析出的白色及灰色塊是β斑缺陷
Ti130合金是西北有色院近年來開發的高強高韌近β型鈦合金(Ti-Al-Mo-V-Cr系,相變點830℃),其特點是:淬透性好、強化效應高、強韌性匹配良好,綜合性能優于Ti1023鈦合金。其大規格棒材滿足波音公司BMS7-360H標準對Ti5553合金性能的要求,適合應用于航空結構件;小規格棒絲材適合應用于緊固件及彈簧。典型力學性能如表3-8、表3-9所示。Ti1300合金常見組織如圖3-45 ~圖3-50所示。
表3-8 Ti1300合金小規格棒材典型力學性能

表3-9 Ti1300合金大規格棒材典型力學性能


圖3-45 Ti1300合金鍛造加工態:變形β組織

圖3-46 Ti1300合金β相區固溶處理:等軸β晶粒

圖3-47 Ti1300合金β相區固溶+時效處理:針狀次生α相在β基體上析出

圖3-48 Ti1300合金兩相區固溶+時效組織(SEM):
等軸初生α及針狀次生α在β基體上析出

圖3-49 Ti1300合金β相區固溶+時效組織:針狀次生α(亮條)在β基體上析出

圖3-50 Ti1300合金兩相區固溶時效(SEM):針狀次生α及條狀α在β基體上析出
Ti3Al(α2相)是一種金屬間化合物,具有六方晶格。與常規鈦合金相比具有更高的使用溫度,但是室溫塑性較低。Ti3Al合金力學性能見表4-1,顯微組織如圖4-1~圖4-3所示。
表4-1 Ti3Al合金力學性能


圖4-1 Ti3Al合金1040℃/1h空冷+950℃/4h空冷

圖4-2 Ti3Al合金950℃/1.5h空冷
α2相(初生+次生)(白)+殘余β相(暗)

圖4-3 Ti3Al合金1150℃/1h爐冷
α2片(白)+晶界殘余β相(暗)
TiAl(γ相)是一種金屬間化合物,具有四方結構。與常規鈦合金相比具有更高的使用溫度,但是其熱加工工藝性差、室溫塑性很低。
Ti47Al5(Cr+V+Mo+Nb)合金Ta=1318℃,其力學性能如表4-2所示,顯微組織如圖4-4~圖4-11所示。
表4-2 Ti47Al5(Cr+V+Mo+Nb)合金力學性能


圖4-4 Ti47Al5(Cr+V+Mo+Nb)合金的鑄態片層組織α2+γ

圖4-5 Ti47Al5(Cr+V+Mo+Nb)合金變形的片層組織α2+γ

圖4-6 Ti47Al5(Cr+V+Mo+Nb)合金變形后形成的等軸組織α2(白)+γ(灰)

圖4-7 Ti47Al5(Cr+V+Mo+Nb)合金1000℃/1h空冷,α2(白)+γ(灰)

圖4-8 Ti47Al5(Cr+V+Mo+Nb)合金1400℃/1h水淬α有序轉變為α2(白)

圖4-9 Ti47Al5(Cr+V+Mo+Nb)合金1300℃/2h空冷,
等軸α2(白)及γ(灰)+片層γ與α2

圖4-10 Ti47Al5(Cr+V+Mo+Nb)合金1350℃/2h空冷+1050℃/4h空冷,
等軸α2(白)及γ(灰)+片層γ與α2

圖4-11 Ti47Al5(Cr+V+Mo+Nb)合金1400℃/1h爐冷,片層γ與α2
TiNi合金具有超彈性及形狀記憶等特殊性能,因而在航空航天、原子能、海洋工程、儀器儀表和醫療器械等領域有廣泛的應用前景。

圖4-12 Ti44Ni47Nb9鑄態組織初生樹枝晶(亮)+共晶體(灰)

圖4-13 Ti44Ni47Ta9鑄態組織初生α(TiNi)樹枝晶
(包含大量細彌散粒子NiTa2)(亮)+共晶體(灰)

圖4-14 Ti44Ni47Nb9Al1鑄態組織初生樹枝晶(亮)+共晶體(灰)

圖4-15 Ti44Ni47Nb9合金軋制加工態,為拉長的條狀組織

圖4-16 Ni47Ti44Ta9合金軋制加工態,為拉長的條狀組織

圖4-17 Ni47Ti44Nb9Al1合金軋制加工態,為拉長的條狀組織
Ti75合金具有良好的鑄造性能,經常用于泵、閥殼體的鑄造。
Ti75合金力學性能見表5-1,顯微組織如圖5-1~圖5-2所示。
表5-1 Ti75合金鑄造管坯力學性能


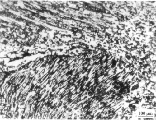
圖5-1 Ti75合金管坯鑄件組織,粗大原始β晶粒,基體為片狀β轉變組織

圖5-2 Ti75合金管坯鑄件經40%旋壓變形,片狀β轉變組織呈彎曲狀
Ti600高溫鈦合金也具有良好的鑄造性能,經熱等靜壓后可獲得優異的室溫、高溫力學性能。
Ti600合金力學性能見表5-2,顯微組織如圖5-3~5-6所示。
表5-2 Ti600高溫鈦合金鑄態及經熱等靜壓處理后的室溫、高溫性能


圖5-3 Ti600合金小型鑄件組織,原始β晶界呈彎曲狀,基體為片狀β轉變組織

圖5-4 Ti600合金小型鑄件組織,原始β晶界呈彎曲狀,基體為片狀β轉變組織

圖5-5 Ti600合金鑄件經900℃/103MPa/2h熱等靜壓處理后組織,為全片層β轉變組織

圖5-6 Ti600合金鑄件經900℃/103MPa/2h熱等靜壓處理后,部分區域的α片被球化
補充:
α+β鈦合金
TC20

圖1 700℃/1h退火,空冷
腐蝕介質HF+HNO3+水(1:6:193)

圖2 退火


