馬氏體、奧氏體、珠光體,20種材料彩色金相圖,帶你輕松識別!
隔行如隔山,醫生看內科行醫,我們金屬材料也有內科,金相就是我們金屬材料的基因代碼,就是金屬的語言。
下面這張鐵碳合金相圖
估計直觀學機械80%的讀者都接觸過
這是大家開始了解金屬材料的基礎
↓↓

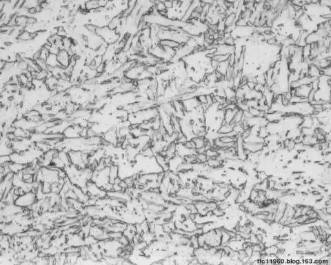
今天,小編帶大家一起走進金屬材料,看看我們平日里所相處的這些硬邦邦的鐵疙瘩到底有怎樣的內心世界。下面展示的是20種材料的金相,有浸蝕方法、放大倍數,以及你們識別的顯微組織。




















看的是不是很興奮,美吧,說明金屬也是有內涵的,你們之前沒有發覺而已。上面出現了馬氏體、奧氏體、珠光體、人體。。。等等,這些金相組織是如何定義的,它們又有那些特征呢,接下來咱們繼續帶領大家深入了解(看到這里的讀者,我覺得你們應該給自己鼓鼓掌,你們是真的喜歡直觀學機械,不,是喜歡機械、金屬)。















注意:今天這份資料十分有價值,也是我們所說的硬貨,小編還是叮囑大家一下,能轉發到朋友圈或者微信群里的盡量轉轉,對很多讀者還是有用的。我們要把科普的種子撒在每一個喜歡機械的心靈上
,別砸在小編手里嘍。這可是5年來小編第一次要求大家。
(本平臺"常州精密鋼管博客網"的部分圖文來自網絡轉載,轉載目的在于傳遞更多技術信息。我們尊重原創,版權歸原作者所有,若未能找到作者和出處望請諒解,敬請聯系主編微信號:steel_tube,進行刪除或付稿費,多謝!)